Skip to main content

Esd Diode Ethernet

Esd Strike Breaks The Lan8742a Ethernet Phy Electrical

Esd Strike Breaks The Lan8742a Ethernet Phy Electrical

Defending Ethernet Ports From Electrical Transient Events

Defending Ethernet Ports From Electrical Transient Events

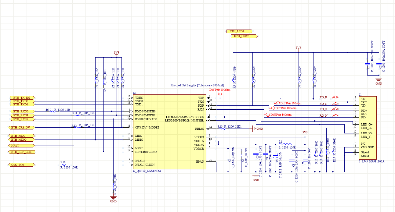
How To Design The Ethernet Circuitry

How To Design The Ethernet Circuitry


How To Design The Ethernet Circuitry
Power Over Ethernet Poe Camera Computing Applications Smc

Power Over Ethernet Poe Camera Computing Applications Smc

Protecting Poe Systems From Lightning And Other Electrical

Protecting Poe Systems From Lightning And Other Electrical

1 Version01 Introduction To Tvs Diode Arrays Spa Tm Family

1 Version01 Introduction To Tvs Diode Arrays Spa Tm Family

Ethernet Esd Lightning Power Fault Protection

Ethernet Esd Lightning Power Fault Protection

100 Mbps And Gigabit Ethernet Protection

100 Mbps And Gigabit Ethernet Protection

Edn Automate Esd Protection Verification For Complex Ics

Edn Automate Esd Protection Verification For Complex Ics

Aoz8318 Low Capacitance 2 5 V Tvs Diode General Description

Aoz8318 Low Capacitance 2 5 V Tvs Diode General Description

Automotive Grade Tvs Diode Circuit Protection Digikey

Automotive Grade Tvs Diode Circuit Protection Digikey

Circuit Protection For 1000base T Gigabit Ethernet

Circuit Protection For 1000base T Gigabit Ethernet

Circuit Protection For 1000base T Gigabit Ethernet

Circuit Protection For 1000base T Gigabit Ethernet

Chip Varistors For Automotive Ethernet Communication

Chip Varistors For Automotive Ethernet Communication

Circuit Protection For 1000base T Gigabit Ethernet

Circuit Protection For 1000base T Gigabit Ethernet

Comments

Popular posts from this blog

Induction Cooker Design With Quasi Resonant Topology Using Jitter Drive Method

Although quasi resonant topology offers a more cost effective implementation it introduces more emi problems. 58 may 2013. Analysis And Design Method For Parallel Quasi Resonant Induction Cooker Design With Quasi Resonant Topology Using Fundamentals Of Power Electronics Of Power Electronics Most induction cookers are based on half bridge topology. Induction cooker design with quasi resonant topology using jitter drive method . Induction cooker design with quasi resonant topology using jitter drive method at articletulu2013inductioncd titleinduction cooker design with quasi resonant topology using jitter drive method authormustafa tulu and deniz yildirim journal2013 12th international conference on environment and electrical engineering year2013 pages1 6. Proceedings of the international conference on environment and electrical engineering eeeic. Designing an...

How To Test Transient Voltage Suppression Diode

Transient Voltage Suppression Diode Devices New Transient Voltage Suppression Diodes From Details About 100x 5kp60a Diode Transient Voltage Suppressor Glass Passivated 5kw 5000 Watts Transient Voltage Suppressor Diodes Tvs Selection Guide Application Hints For Transient Voltage Suppression Diode Transient Voltage Suppressor Diode Tested In Aeronautical How To Read Data Sheets Tvs Diodes Eeweb Community Surge Protection Circuit Principle And Design 5kp15ca 15v 24 4a Bidirectional Transient Voltage Suppression Diode How To Use Tvs Diodes For Transient Voltage Suppresison Tvs Diode Arrays Tvs Diodes Littelfuse Tvs Diode For S...

Decoupling Capacitor High Frequency

The value of the capacitor is usually between 100nf and 10nf. When you combine these two capacitors together youll be delivering a smooth uninterrupted voltage to your ic to work with. Technical Support Using Pi Simulation Solution Guides Capacitors Learn Sparkfun Com Effective Use Of Decoupling Bypass Capacitors Point 1 All decoupling capacitors should connect to a large area low impedance ground plane through a via or short trace to minimize inductance. Decoupling capacitor high frequency . When working with decoupling capacitors in your own design keep these three things in mind. For the best results the decoupling capacitor should be placed as close as possible to the chip. Zlocalizes the noise in the system. The key to using multiple capacitors for high frequency decoupling is to 1 make them all the same value and 2 spread them out around...